PRODUCT

产品展示

  • 首页 - YASKAWA

    YAKAWA机器人

    YASKAWA

    生产效率大幅度提升
    ●合成速度比原有机型提升约30% 实现节拍时间缩减
    ●采用了减小手臂与周边设备的干涉的设计
    ●采用中空手臂构造,可将传感线缆以及气体管道内置其中
    抗干扰的坚固构造
    ●机器人手腕部分采用IP67标准
    ●可对应接头基座面向下引出
    提升维护性
    ●减少了机器人与控制柜间的电缆线数,提升了维护性的同时提供简洁的设备
    ● 大幅度缩减电缆定期更换作业时间

    欢迎致电0757-23339411,咨询和订购

    产品详情

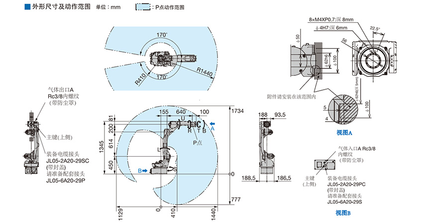
    机器人型号 MOTOMAN-GP12
    自由度 6
    水平伸长度 1440mm
    可搬质量 12kg
    本体质量 130kg
    重复定位精度 ± 0.02mm
    控制器 YRC1000,YRC1000micro
    防护等级 本体:IP54, 手腕轴:IP67
    安装方式 置地式,倒挂式,壁挂式,倾斜式
    用途 搬运、取件/包装、码垛、组装/分装
    动作范围

    推荐产品